【摘要】某商品住宅项目基坑开挖 3.8m~5.6m,涉及基坑开挖影响范围内的建筑主要为 927弄(临)28号、927弄(临) 29号,为了解两栋房屋的施工前现状,为后期基坑施工对周边建筑的影响程度提供依据,上海某有限公司特委托房屋质量检测站对以上两栋房屋进行施工前现状检测。
1. 检测概述
上海某有限公司拟对某商品住宅项目进行基坑工程建设,基坑开挖深度约 3.8m~2. 6m,涉及基坑开挖影响范围内的建筑主要为 927弄(临)28号、927弄(临)29号。为了解两栋房屋的施工前现状,为后期基坑施工对周边建筑的影响程度提供依据,上海某有限公司特委托屋质量检测站对以上两栋房屋进行施工前现状检测。
1.1 检测鉴定的范围
本次基坑周边检测范围房屋为 927弄(临) 28号、927弄(临) 29号。具体位置参见总平面示意图 1-1。


2.主要工作内容
本次检测鉴定主要工作内容包括:
1 )房屋建筑、结构概况和使用情况调查;
2 )收集房屋原有全部图纸资料,补充绘制房屋的标准层建筑平面示意图;
3 )房屋与相邻基坑位置关系调查;
4 )相邻基坑工程概况调查;
5 )房屋完损状况现场检测;
6 )测量房屋现有倾斜率,并对房屋沉降监测点的初始高程进行测量复核;
7 )汇总检测结果,分析房屋的变形敏感区域,并对变形损坏的报警值进行建议;
8 )根据现场检测结果,对该批房屋进行评定,并提出合理化建议。
3.房屋概况
3.1某工程项目概况
某工程项目主要为 2座地下车库及 3幢地上商品住宅。地下车库为地下一层,框架结构;2#公寓为地上 14层,结构形式为剪力墙结构,地下一层,主体结构高度为 43.40m; 3#、4#公寓为地上 11层,结构形式为剪力墙结构,地下一层,主体结构高度为 34.90m。
3.2基坑工程概况
该基坑工程位于市区,基坑周边环境条件复杂,本工程分两个基坑,南侧基坑开挖深度 5.6m,北侧基坑开挖深度 3.8m,南侧基坑开挖面积为 3574m²,北侧基坑开挖面积为 642m²,南侧、北侧两基坑安全等级都为 3级,南侧、北侧基坑环境保护等级均为级。
南侧基坑采用 SMW工法桩围护结构,支撑体系采用钢管对撑+混凝土角撑水平支撑组合;北侧基坑东侧采用 SMW工法桩结合混凝土角撑水平支撑的围护结构,西侧采用水泥土搅拌桩重力式挡墙围护结构。
围护立柱采用 H400×400型钢立柱,型钢长 15m,型钢顶标高 +2.60m,H型钢底标高-12.40m。混凝土设计强度等级为 C30,混凝土传力带混凝土强度同主体结构,型钢、钢管、立柱钢材均采用 Q235B。
3.3周边建筑物概况

927弄(临)28号、29号:两幢建筑建造于约 1986年,原为宝钢场外施工基地永久性单身宿舍,房屋建筑平面呈矩形,东西向长度为 47.04m,南北向长度为 14.44m,共 6层,每层层高均为 3.00m,建筑主体高度约为 18.0m,屋面为平屋面,室内外高差约为 0.17m;房屋结构形式为砖混结构,基础形式为混凝土条形基础,基础高约为 350mm,基础埋深约为 1.8m,承重墙体采用 20孔 240承重空心砖或 240机制红砖,房屋四角及楼梯间均未设置构造柱,房屋四周及楼梯间每层均设置圈梁,架空地坪、楼板及屋面均采用 120mm预应力空心板,厕所、楼梯、盥洗楼板采用现浇混凝土。
4.现场检测情况
4.1 927弄(临)28号房屋损伤情况调查
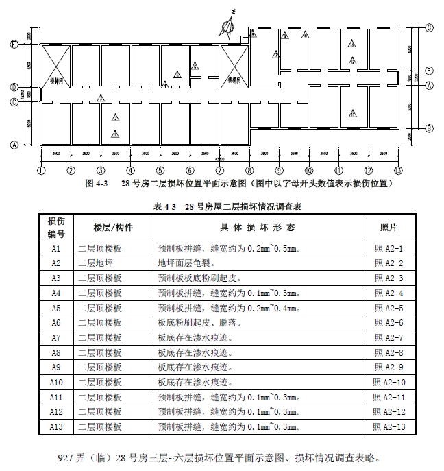
927弄(临)28号房屋,建设年代约 1986年,6层砖混结构。经现场检测,目前,房屋主要存在粉刷层起皮、预制板拼缝、渗水等现象,一层、二层的损坏位置平面图详见图-2和图-3所示,损坏情况调查表详见表-2和表-3所示。


4.2 927弄(临)29号房屋损伤情况调查
927弄(临)29号房屋,建设年代约 1986年,6层砖混结构。经现场检测,目前,房屋主要存在外墙粉刷层酥松脱落、预制板拼缝、渗水等现象。各层损坏位置平面示意图、损坏情况调查表略。
4.3房屋整体倾斜测量
4.3.1 927弄(临)28号房屋
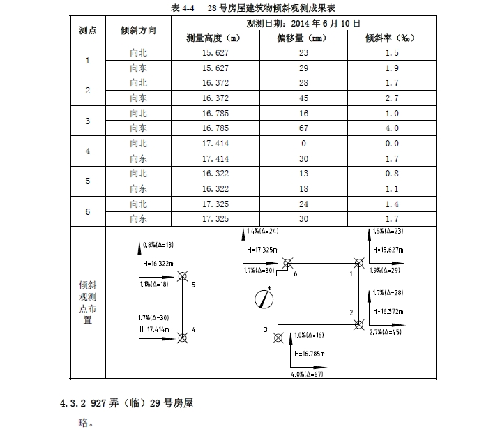
根据现场条件,采用中纬全站仪 (ZT80 MR+,编号 FJ-14)对房屋角点进行垂直投影,测量其顶部相应底部偏移值(部分测点因现场通视条件限制无法测得)。房屋测点布置及测量值详见表 4-4。经测量,房屋整体向东、向北倾斜,东西向昀大倾斜率为向东 4.0‰,南北向昀大倾斜率为向北 1.7‰。

4.4沉降和裂缝监测点布置及报警值
4.4.1 房屋沉降监测点布置
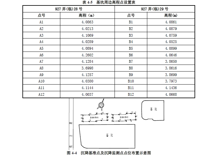
本次沉降监测采用独立高程系统,高程起算点选取基坑影响范围外, 1009号内 5层房屋西南角沉降观测点作为高程起算点 BM1(距离基坑边约为 150m),并假设 BM1高程为 4.0000m,另选取两个地面稳定点分别为 BM2、BM3。
本次沉降监测采用 NA2型自动安平精密水准仪(QJ-50)配以 GMP3光学测微器,并配备 2m铟钢尺及其配套的标准尺垫、扶尺架等,根据有关技术规范的要求,采用精密水准测量的方法进行测量。
本次沉降监测房屋沉降监测点利用原房屋建造时预埋点,在原预埋点不能施测或被破坏时,进行相应补充。具体监测点及基准点布置详见图 4-4,高程点数值详见表 4-5。本次沉降观测日期为:2014年 6月 10日。

4.4.2 房屋裂缝监测点布置
根据房屋现场的检测情况,在房屋墙体裂缝等位置用石膏饼做标志,记录现有的裂
缝状态,本次两栋房屋裂缝监测点共布置了 5个监测点。927弄(临) 28号一层石膏饼平面位置布置参见图 4-5(29号一层石膏饼平面位置布置图略)。

5 汇总与评估
(1)上海市某住宅商品住宅项目涉及基坑开挖影响范围的建筑主要为 927弄(临)28号、 927弄(临)29号。根据现场检测及调查,上述房屋的现状如下:
• 927弄(临) 28号,建造于约 1986年,6层砖混结构,距离基坑边距离约为 13.74m。建筑主体高度约为 18.6m,每层层高均为 3.1m,房屋基础形式为混凝土条形基础,基础高约为 350mm,基础埋深约为 1.8m,房屋四角及楼梯间均设置构造柱,房屋四周及楼梯间每层均设置圈梁,架空地坪、楼板及屋面均采用 120mm预应力空心板,卫生间、盥洗间采用现浇楼板,上部结构整体构造措施较好。现场检测情况表明,房屋目前主要存在墙体粉刷层起皮、预制板拼缝等损伤。
• 927弄(临) 29号,建造于约 1986年,6层砖混结构,距离基坑边距离约为 13.58m。建筑主体高度约为 18.0m,每层层高均为 3.0m,房屋基础形式为混凝土条形基础,基础高约为 350mm,基础埋深约为 1.8m,房屋四角及楼梯间均未设置构造柱,房屋四周及楼梯间每层均设置圈梁,架空地坪、楼板及屋面均采用 120mm预应力空心板,卫生间、盥洗间采用现浇楼板,上部结构整体构造措施较薄弱。现场检测情况表明,房屋目前主要存在外墙粉刷层酥松、脱落,墙体粉刷层起皮、预制板拼缝等损伤。
(2)按照投点法原理,采用中纬全站仪测量房屋角点棱线的相对垂直度方式进行倾斜测量,测量结果包括原始施工误差、测量误差和累计总体变形在内,测量结果如下:
• 927弄(临)28号:房屋整体向东、向北倾斜,东西向昀大倾斜率为向东 4.0‰,南北向昀大倾斜率为向北 1.7‰。
• 927弄(临) 29号:房屋东西向昀大倾斜率为向西 1.4‰,南北向昀大倾斜率为向南 0.9‰。
(3)综合分析本工程的现状以及周边房屋的结构现状,根据有关标准、规范,确定房屋累计沉降和裂缝的建议报警值为:砌体结构累计沉降 20mm,连续 2天日沉降超过2.0mm或当日超过 3.0mm;砌体承重墙裂缝开展 0.5mm、填充围护墙裂缝开展 2mm、地坪裂缝开展 10mm。
6 检测结论与建议
(1)新建工程有南北两个基坑,南侧基坑开挖深度 5.6m,北侧基坑开挖深度 3.8m,涉及基坑开挖影响范围内的建筑主要为 927弄(临)28号、927弄(临)29号。
(2) 927弄(临)28号、29号,均建造于约 1986年,均为 6层砖混结构。房屋基础形式均为混凝土条形基础,基础埋深约为 1.8m,927弄(临) 28号房屋四角及楼梯间均设置构造柱,房屋四周及楼梯间每层均设置圈梁,上部结构整体构造措施较好,距离基坑距离约为 13.74m;927弄(临)29号房屋四角及楼梯间均未设置构造柱,房屋四周及楼梯间每层均设置圈梁,上部结构整体构造措施较为薄弱,距离基坑边距离约为 13.58m。
(3)现场检测情况表明,927弄(临)28号房屋损伤主要为墙体及板底粉刷层起皮、预制板拼缝、楼面面层空鼓、开裂等现象;927弄(临)29号房屋损伤主要为外墙粉刷层普遍存在酥松、脱落,墙体及板底粉刷层起皮、预制板拼缝、楼面面层空鼓、开裂,部分阳台围墙后砌筑墙体倾斜等现象。
(4) 927弄(临) 28号房屋:房屋整体向东、向北倾斜,东西向昀大倾斜率为向东 4.0‰,南北向昀大倾斜率为向北 1.7‰,均在规范允许范围之内。
(5) 927弄(临) 29号房屋:房屋东西向昀大倾斜率为向西 1.4‰,南北向昀大倾斜率为向南 0.9‰,均在规范允许范围之内。
(6)根据现场检测结果和《房屋完损等级评定标准》(城住字( 84)第 678号)的相关内容,委托检测房屋完损等级评定如下:927弄(临)28号、927弄(临)29号均可评定为一般损坏房。根据本工程的情况结合周边房屋的结构现状,建议报警值为:砌体结构累计沉降 20mm,连续 2天日沉降超过 2.0mm或当日超过 3.0mm;砌体承重墙裂缝开展 0.5mm、填充围护墙裂缝开展 2mm、地坪裂缝开展 10mm。
(7)由于 927弄(临) 28号、29号两幢房屋当时建造标准较低,处于 3倍基坑开挖深度影响范围之内,且 28号房屋整体向东倾斜,29号房屋构造措施比较薄弱,因此,在基坑开挖时施工单位需高度重视以上房屋。建议在地下工程的施工中采取可靠措施,避免对上述房屋造成较大的振动影响,并在后续的施工中加强对房屋及围墙的沉降监测,在各个施工阶段均应保证一定的监测频率。